Embraco Aspera EMX6165U - герметичный поршневой среднетемпературный компрессор, применяемый хладагент R-290.
Подходит для - Шкаф холодильный POLAIR DM105-S Температурный режим Среднетемпературный
t режим, °С - +1...+10
Бренд - EMBRACO
Страна производства - Бразилия
Серия - EMX
Тип компрессора - Герметичный поршневой
Режим - Среднетемпературный (MBP)
Фреон - R-290
Электропитание - 1 фаза / 220-240 В / 50 Гц
Холодопроизводительность ASHRAE (Ткип.= -6,7°C Тконд.= 54,4°C) - 511 Вт
Объем сжатия - 5.96 см3
Количество масла - 180 см3
Присоединение линии нагнетания - 4.94 мм
Присоединение линии всасывания - 6.1 мм
Присоединение сервисной линии - 6.1 мм
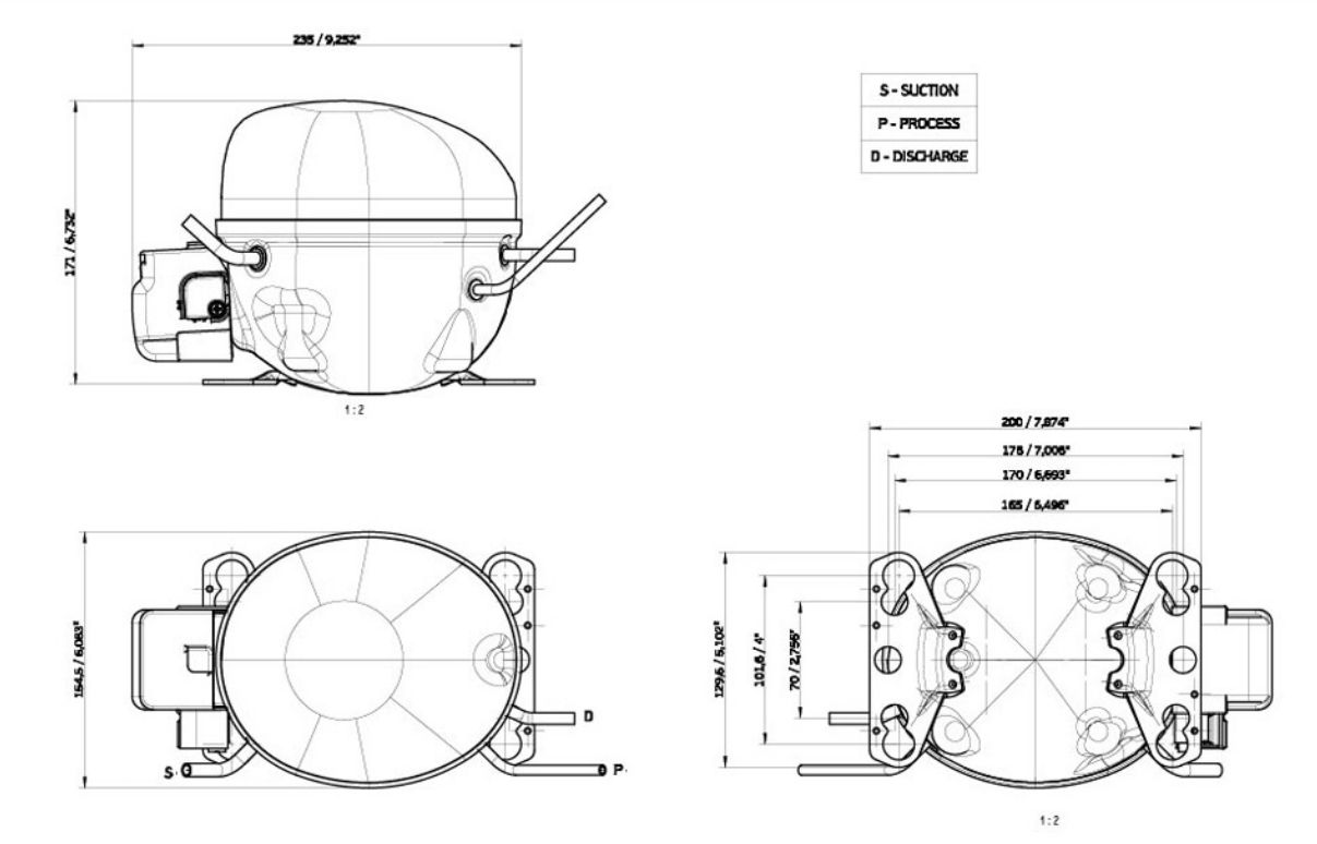
Размеры - 200 х 156 х 171 мм
Вес - 7.75 кг
В состав комплекта входит: компрессор, пусковое реле, крышка, монтажный комплект.
Подходит для - Шкаф холодильный POLAIR DM105-S Температурный режим Среднетемпературный
t режим, °С - +1...+10
Бренд - EMBRACO
Страна производства - Бразилия
Серия - EMX
Тип компрессора - Герметичный поршневой
Режим - Среднетемпературный (MBP)
Фреон - R-290
Электропитание - 1 фаза / 220-240 В / 50 Гц
Холодопроизводительность ASHRAE (Ткип.= -6,7°C Тконд.= 54,4°C) - 511 Вт
Объем сжатия - 5.96 см3
Количество масла - 180 см3
Присоединение линии нагнетания - 4.94 мм
Присоединение линии всасывания - 6.1 мм
Присоединение сервисной линии - 6.1 мм
Размеры - 200 х 156 х 171 мм
Вес - 7.75 кг
В состав комплекта входит: компрессор, пусковое реле, крышка, монтажный комплект.
|
Название модели (для объединения в одну карточку)
|
Компрессор EMX 6165U Фреон - R-290 Aspera 505Вт |
|
Материал
|
Металл, Медь |
|
Вид запчасти
|
Компрессор |
|
Гарантийный срок
|
Гарантия на запуск |
|
Размеры, мм
|
230х150х170 |
|
Вес товара, г
|
8000 |
|
Партномер
|
EMX 6165U, EMX6165U |
|
Комплектация
|
В состав комплекта входит - компрессор, пусковое реле, крышка, монтажный комплект. |
|
Страна-изготовитель
|
Бразилия |
|
Количество заводских упаковок
|
1 |
|
ТН ВЭД коды ЕАЭС
|
8414308107 - Компрессоры, используемые в холодильном оборудовании, герметичные или полугерметичные, мощностью более 1,3 квт, но не более 10 квт |
|
Название
|
Компрессор EMX 6165U Embraco Aspera 511Вт |
|
Вес с упаковкой, г
|
8000 |
|
Код продавца
|
EMX6165U |
|
Количество в упаковке, шт
|
1 |
|
Ресурс
|
в зависимости от напряженности эксплуатации |
|
Поддерживаемые бренды
|
Универсальный |
|
Длина, см
|
23 |
Отзывы
Оставить отзыв
Загрузка отзывов...
Доставка осуществляется по всем регионам РФ, через транспортные компании – ДЕЛОВЫЕ ЛИНИИ, ПЭК, СДЭК и другие транспортные компании.